
三季度以來,集團全面開展成本控制專項行動試點,成本控制中心以標準化成本費用科目及成本控制核心指標核算為牽引,統一核算口徑、標準化操作流程,構建“試點先行、標準賦能、臺賬管控、閉環推廣”的鹽城港模式,推動成本控制從粗放管理向精細化、標準化、常態化轉變,實現投入-產出效益最大化,為集團高質量發展提供有力支撐。
責任到人 試點體系“動因下鉆”
成本控制中心迅速組織召開專題會議,搭建試點單位“一把手總負責—分管領導具體抓—部門經理牽頭管—具體人員落實”四級穿透式工作小組,層層壓實責任,形成橫向到邊、縱向到底的協同合力。累計駐點調研20余次,通過座談交流、現場勘查、數據比對等多種方式,圍繞“為何控”“控什么”“怎么控”逐項拆解成本動因,實現“控結果”向“控動因”轉變,為后續標準化臺賬建設奠定數據與組織底座。

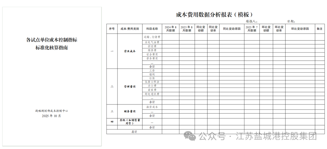
“一表一指南” 加快標準化建設
一張報表管全程。《成本費用數據分析報表》覆蓋海港、內河港區、農業、酒店多業態15張臺賬模板,配套出臺《關于數據分析報表填報的情況說明》操作指引,確保各單位“同一把尺子、同一種語言”。一份指南立標桿。依據試點經驗固化單位作業成本“人工成本+設備成本+能耗成本+其他成本”底層構架模型,明確取數、分攤標準,形成可借鑒推廣14項成本控制核心指標的《標準化核算指南》,讓成本“可算、可比、可控”。
各試點單位結合實際全力推進改革創新實踐,落實重點任務,取得了積極成效。射陽港集團通過高桿燈智能控制、綜合倉庫變壓器啟用“一備一用”模式等優化作業流程,有效降低能耗成本,件雜貨單噸作業成本同比下降6%;航運集團自動化堆場與電動流機的投入使用使得單箱堆存成本同比下降35.2%;半島酒店通過出臺高能耗區域分區、分時段節能操作指南實現單位營業面積能耗同比下降32%,月節約能耗成本4萬元。

總結經驗 推動管控長效閉環
試點過程中,成本控制中心加強全流程控制,持續跟蹤、評估和總結,及時發現問題進行迭代優化,以“調研-試點-推廣-迭代”閉環機制推動各試點單位創新實踐落地見效。目前已提煉固化成本數據臺賬化管理、單位作業成本標準化核算、建立能耗“分時、分區、分設備”精細化管控機制、“住宿+餐飲”雙維度搭建酒店成本控制模型4大類11項可復制推廣成本控制經驗舉措,形成《關于推廣成本控制專項行動試點典型經驗的工作方案》下發推廣。

下一步,成本控制中心將繼續鞏固現有成果,持續完善成本控制長效機制,推動各單位定期開展成本控制專題研討,提升全員參與度和舉措實效性,真正把成本控制從“階段性任務”升級為“常態化管理”,為集團高質量發展持續注入低成本、高效能的動能。